Description
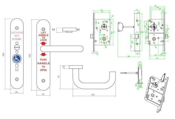
From the RADAR Key scheme, a complete lockset comprising a 6 lever Mortice lock and engraved furniture, incorporating an external indicator and emergency coin release. All locksets are supplied with 1x bow shaped handle key and fixings.
Handing: Only two hands are required, as the latch bolt can be easily reversed for inward or outward opening doors. To determine which hand is required, hand the lockset as follows: Standing inside the toilet. If the hinges are on the right – you will need a right hand lockset. If the hinges are on the left – you will need a left hand lockset.
Lever handle should be fitted between 8001050mm above the floor (900mm preferred).
Operation: The door is opened from the outside, by use of the RADAR key, when the external indicator is white. Once inside, the door is locked by lifting the lever upwards, which changes the external indicator to red. The keys will not unlock door when the indicator shows red. On exiting, the door is opened by pushing the lever down, which also returns the external indicator to white.
Right Hand Version.
Grade 316 Satin Stainless Steel.







