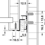
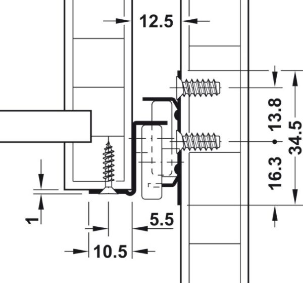
Description
Roller Drawer Runners, Single Extension, Plastic Coated Steel.
Surface/bottom mounted, Installed length 450 mm, load capacity 20 kg, white RAL 9010.
This item is available whilst stocks last. Please contact us for availability of additional stock.












