Description
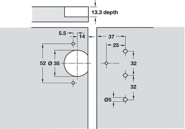
Exposed Axle Hinge, Aximat 250deg, with Catch, Overlay Mounting.
For hinging an overlay door
Lateral adjustment up to – 2 mm. Vertical adjustment +/- 2 mm
250deg
Side panel mounted, screw fixing
For door thickness 16-20mm
Side panel thickness 19mm
Nickel plated.
















