Description
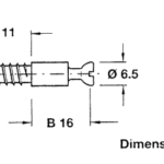
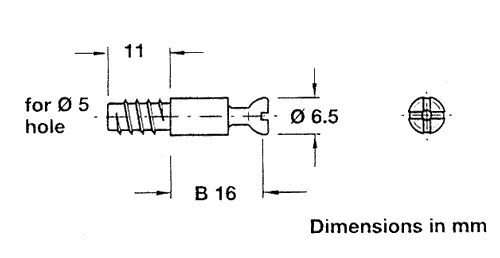
Minifix 10 connecting bolt, for Diam: 5 mm holes
For direct installation in Diam: 5 mm holes
With special thread
Steel
Connection bolt, drilling distance 16 mm, galvanised
This item is available whilst stocks last. Please contact us for availability of additional stock.



