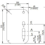
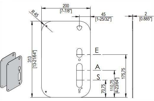
Description
Lock-Tech cover plate. Plate to sit behind Salto XS4 Narrow to hide marks from previous door furniture etc. 200mm wide. Satin stainless steel finish.
This item is available whilst stocks last. Please contact us for availability of additional stock.






